B-6-2 IK Series M2 Bus 380-400V
Short Description:
Automatically measure the mechanical characteristics of load inertia, set the optimal gain, and shorten the system commissioning time
Universal bus IK series servo drive
1. Servo drive model:
IK Series M2 Bus 380-400V
ZSD-IKBS202B
ZSD-IKBS282B
ZSD-IKBS352B
ZSD-IKBS502B
2. Technical indexes
High level servo drive products, IK series is a high-level multi-functional AC servo drive designed and launched by the company for the middle and high-end market, with high speed, high precision, high response and more optimized structure. Support 220VAC or 380VAC input, support standard Modbus protocol, CANopen bus and M2, m3 bus, built-in simple PLC function. The reliability design meeting the national standard 4 has a wider power range, currently covering the power range of 0.4KW ~ 7.5kW.
The high-order servo drive supports two shaft output, with compact structure. It is an environment-friendly and energy-saving servo drive, with output power of 0.4KW ~ 1.5KW, economic, reliable and stable.
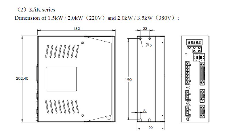
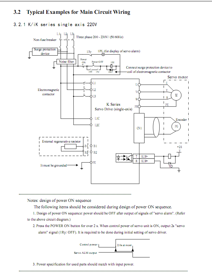
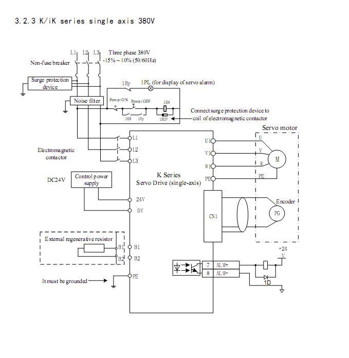
1. Power supply voltage: 220V / 380V;
2. Output power: 220V (2kW, 2.8KW, 3.5kw, 5kW), 380V (? 2kW, 3.5kw, 5kW, 7.5kW);
3. Encoder: 2500C / T incremental / provincial encoder, 17bit / 20bit / 23bit absolute value encoder, IK series only supports absolute value;
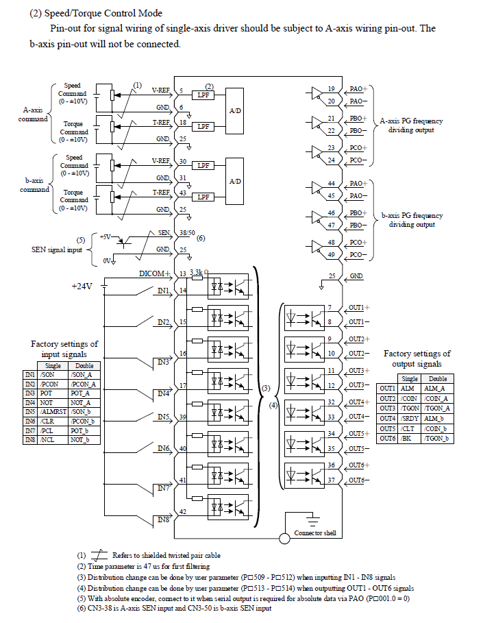
4. Digital IO signal: 8-channel input and 6-channel output can be used for function setting;
5. Analog signal: 2 inputs;
6. Communication mode: RS232, standard Modbus protocol, CANopen bus, in which IK series supports MII protocol;
3. Product advantages
1. Powerful internal position mode can plan multi-path continuous operation to achieve rich motion control functions; at most 32 groups of data planning can be supported, and each group of data can be set with pulse number or angle according to demand, and speed, acceleration, deceleration and emergency deceleration of internal position mode can be set.
2. Automatically measure the mechanical characteristics of load inertia, set the optimal gain, and shorten the system commissioning time
3. Mechanical resonance frequency analysis, equipped with two sets of notch filters, which can adjust the frequency (50 ~ 5000Hz) and notch depth, effectively overcome the low frequency resonance and vibration at the mechanical end, and can set the vibration frequency (1 ~ 100Hz) and vibration damping.
4. Friction torque compensation function can reduce the influence of static friction during mechanical reversing and improve the command following performance of low-speed operation.
5. Debugging software support, mechanical characteristics analysis, parameter setting, monitoring and other functions, intuitive and simple operation.

















