Safety Door SS/E-03 Switches
Short Description:
The switch signal is used to detect whether the protection door is closed, to judge whether the device can be turned on, thereby operating It plays a role in security protection.
According to the national standard design, the safety door switch is mainly used for mechanical equipment to close the door, that is to say, if the machine is to be started, the equipment protection door must be closed; the switch signal is used to detect whether the protection door is closed, to judge whether the device can be turned on, thereby operating It plays a role in security protection.
SS/E-03 series safety door switch
Type: SS/E-03
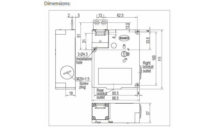
Product size: 100*88.5mm
Rated Voltage:DC24V
Tensile Strength:2700N
Working Temperature:-5~40℃
Protection Class:IP67
















