VEICHI SD500 Series Spindle servo motor and driver 2.2-132kw 1000-3000rpm 380-440v
Short Description:
VEICHI Electric, a high-tech enterprise engaged in the R&D, production and sales of industrial automation products, has always focused on the fields of electric drive and industrial control since its establishment.
Introduction of VEICHI SD500 Series Spindle servo motorand driver :
1. VEICHI is a high-tech enterprise engaged in the research, development, production and sales of industrial automation products;
2. The company has a wide range of products, including 0.4kw to 1,200kw frequency convertes, 50w to 200 kw servo systems, motion controllers, PLC and HMI, etc.
SD500 Spindle Servo Drive Video
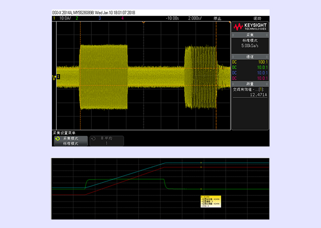
1. Dual encoder: dual encoder interface, full closed-loop vector control.
2. Quick response: strong load response capability.
3. Parameter optimization: self-tuning of loop parameters.
4. Wide range: large low-frequency torque, wide speed range.
5. Strong stability: accurate positioning and simple debugging.
6. Support the open-loop and closed-loop: Integrate synchronous and asynchronous drive.
SD500 series High-performance spindle servo drive
SD500 is a new generation of high-performance spindle servo drive. The standard dual-encoder interface can realize the full-closed-loop servo control of the spindle motor. It integrates speed control, position control and torque control. Precise position control and enhancement of product environmental adaptability and customized and industrialized design provide excellent drive solutions for machine tool spindles.
1. Support open-loop and closed-loop vector control, integrating synchronous and asynchronous driving.
2. Precise speed and position control,positioning accuracy reaches ±1 pulse.
3. Powerful self-learning function: motor parameters, encoder, system inertia, and speed loop parameters self-tuning.
4. Wider constant torque output platform,stronger weak magnetic field acceleration capability.
5. Multi segment accurate stop position, rigid tapping error ± 2%
6. One key setting of zero position, convenient operation
7. Hardware current limit, strong overload capacity, adapt to various harsh working conditions.
8. 80 kinds of fault protection to comprehensively ensure product safety.
Product series:
SD500 Series Spindle servo motor and driver:
Frame size -mm :165.180.200.264.360
Rated power -Kw:2.2-132
Rated speed -RPM:1000.1500.2000.3000
Maximum speed -RPM:4000-12000
number of pole-pairs: 4
Fit drive working voltage -VAC : 380-440
Application of servo motor and driver:
Used in lifting and mining equipment.
Used in rail transit equipment.
Applied to machine tools and equipment
Used in compressor equipment.
Used in robot/manipulator equipment
Used in printing and packaging equipment.
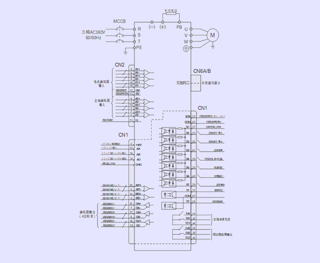
Rich wiring ports
1. 6-way switch + 1 way to tell switch input.
2. 2 collector outputs + 2 relay outputs.
3. 1 bipolar analog input + 1 unipolar analog input + 1 analog output.
4. 2 encoder inputs + 1 high-speed command pulse input + 1 arbitrary frequency division differential output.
5. Equipped with 5V, 10V, 24V external power supply.
High-precision control, proficient in every 18 kinds of “martial arts”
1. Position control, speed control, torque control.
2. Asynchronous motor/synchronous motor/V/F, open-loop vector, closed-loop vector control.
3. Multiple pulses setting modes.
4. Inertia identification, self-tuning of loop parameters.
5. 8 indexing precise stop control.
6. Position swing.
7. Zero-point one-key setting.
8. PID control and so on.
All-in-one superior performance to create a star product of VEICHI
1. Perfect current vector control algorithm.
2. The speed range is wide, and the speed pulsation is small at super high speed.
3. Safe and reliable hardware equipment.
4. The position control has a fast response and high precision.
5. Excellent frequency conversion energy-saving control.
6. The torque is controlled accurately and the output is stable.
7. The low-frequency torque is large and the speed is stable.
8. Good load dynamic and static response control.






















