200-220v Absolute servo driver
Short Description:
Power supply voltage: 220V; Output power: 220V (0.4KW, 0.75KW, 1.5KW); Encoder: 2500C / T incremental / provincial encoder, 17bit / 20bit / 23bit absolute value encoder;
universal K2 series servo drive
1. Servo drive model:
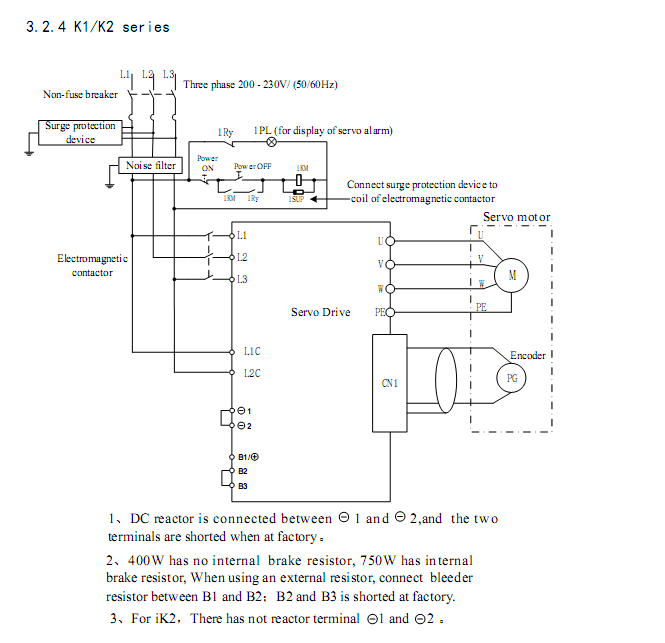
K2 Series servo drive
200-220v Absolute servo driver
ZSD-K2AS04AB
ZSD-K2AS08AB
ZSD-K2AS15AB
ZSD-K2AS22AB
ZSD-K2AS30AB
2. Technical parameters:
1. Power supply voltage: 220V;
2. Output power: 220V (0.4KW, 0.75KW, 1.5KW);
3. Encoder: 2500C / T incremental / provincial encoder, 17bit / 20bit / 23bit absolute value encoder;
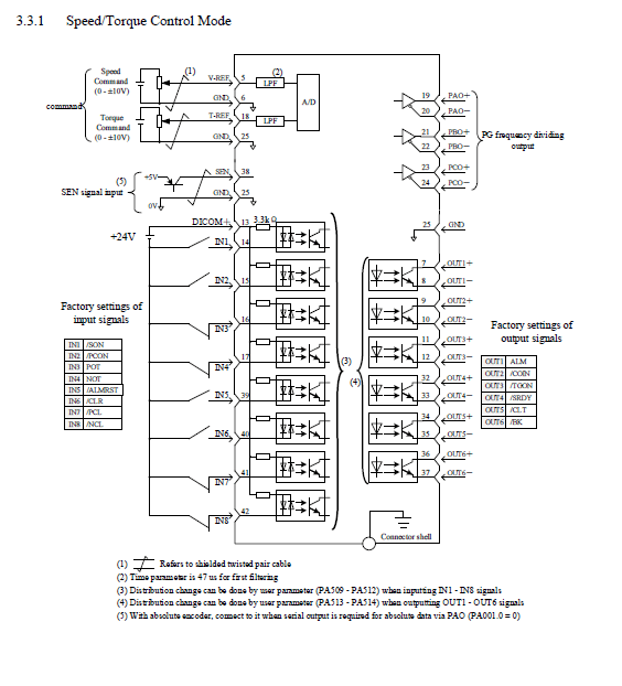
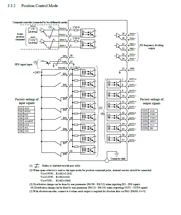
4. Digital IO signal: 8-channel input and 6-channel output can be used for function setting;
5. Analog signal: 2 inputs;
6. Communication mode: RS232, standard Modbus protocol, CANopen bus;
3. Product advantages:
1. Powerful internal position mode can plan multi-path continuous operation to achieve rich motion control functions; it can support up to 32 groups of data planning, and each group of data can set the number or angle of pulses according to the demand, and can set the speed, acceleration, deceleration and emergency deceleration of internal position mode;
2. Automatically measure the mechanical characteristics of load inertia, set the optimal gain, and shorten the system debugging time;
3. Mechanical resonance frequency analysis, equipped with two sets of notch filters, which can adjust the frequency (50 ~ 5000Hz) and notch depth, effectively overcome the low-frequency resonance and vibration at the mechanical end, and can set the vibration frequency (1 ~ 100Hz) and vibration damping;
4. The friction torque compensation function can reduce the influence of static friction during mechanical reversing and improve the command following performance of low-speed operation;
5. Debugging software support, mechanical characteristics analysis, parameter setting, monitoring and other functions, intuitive and simple operation. 二、Specification parameter















