B-2-3 GS Series servo drive 220V&380V incremental, absolute, resolver, sine/cosine, and Hall encoders
Short Description:
The GS Series is divided into two variants: the GSLD cost-effective servo drive and the GSHD high-performance servo drive. The GSLD Series drive is a cost-effective AC servo drive featuring a single-board design, with a rated current range of 3A to 10A. It supports standard EtherCAT and Direction +
The GS Series is divided into two variants: the GSLD cost-effective servo drive and the GSHD high-performance servo drive.
The GSLD Series drive is a cost-effective AC servo drive featuring a single-board design, with a rated current range of 3A to 10A. It supports standard EtherCAT and Direction + Pulse control modes, enabling the operation of DC motors, permanent magnet synchronous motors (PMSM), and other actuators. Debugging is performed via gigabit Ethernet cables, paired with user-friendly debugging tools that offer strong parameter adaptability and one-click parameter import, facilitating efficient equipment debugging for engineers.
Key Features of GSLD Series:
**Maximum input frequency of incremental encoder: 4 MHz
**Vibration suppression for up to 6 different frequencies
**Support for inertia identification and frequency-domain analysis
**Compliance with STO (Safe Torque Off) safety function
**Built-in overspeed protection to ensure on-site application safety
**Hardware DB (Dynamic Braking) function to prevent collision caused by sudden power outage
The GSHD Series high-performance servo drive adopts innovative hardware and software design, delivering high-precision control for all mainstream permanent magnet motors. Characterized by its compact structure, easy debugging, and wide compatibility, the GSHD Series supports multiple control modes, including position control, speed control, and current (torque) control modes, which can be switched pairwise between any two modes. It also accommodates analog command input, pulse command input, as well as EtherCAT or gLink-II communication protocols. Users can configure drive parameters and perform debugging through intuitive software, whose graphical interface simplifies the parameter setting process significantly.
Product Description
I. The GSHD Series Servo Drive Boasts a Rich Array of Functions
1. Compatible with Multiple Motor Types
● Rotary servo motors
● Linear motors
● DC brushed/brushless motors
● DD motors
2. Supports Diverse Input Modes
● Analog input
● Pulse input
● gLink-II
● EtherCAT
3. Supports Various Motor Feedback Signals
● Drive: Main power supply: 5 VDC (7 VDC optional)
● Incremental encoders: AB orthogonal signals with/without Hall sensors, RS422/485, maximum input frequency of 8 MHz
● Hall sensors: Single-ended open-collector (differential signals optional)
● Resolvers: Sine/Cosine differential signals, conversion ratio ranging from 0.45 to 1.6
● Sine encoders: Sine/Cosine differential signals with/without Hall sensors, 1 Vpp@2.5v, EnDat®2.1, Hiperface®
● SSI encoders: Serial encoders supporting differential data and clock signals, EnDat®2.2, Nikon®, Tamagawa®, YASKAWA, SANKYO
● Motor temperature sensors: PTC or NTC thermistors with user-defined critical points
4. Full Closed-Loop Control Function
● Compatible with multiple encoder types: incremental, absolute, resolver, sine/cosine, and Hall encoders
● The second encoder channel of the full closed-loop system supports sine/cosine and incremental encoders
● Homing can be performed using either rotary encoders or linear encoders
● High sampling precision and strong real-time performance
● Positioning accuracy up to ±1 Pulse with excellent dynamic characteristics
5. IO Point Control Function
The controller only needs to send corresponding IO signals, and the drive can independently plan motion and positioning to achieve PLC logic functions
Gantry Dual-Drive Function
6. Dual-axis coupling control
● Command input via one channel with slave-axis following, featuring high precision and fast response
● Simple debugging and quick configuration
● Synchronous error compensation between master and slave axes
7. Sine/Cosine Subdivision Function
● 4096-fold sine/cosine subdivision with a resolution of up to 32 bits
● Maximum rotational speed up to 60000 rpm
II. Product Features of the GSHD Series Servo Drive
1. Equipped with automatic model identification, auto-tuning parameters, notch filtering and vibration suppression functions, eliminating the need for manual parameter debugging.
● The system’s transfer function or state-space equation is derived via model identification methods to guide parameter configuration.
2. Based on loop shaping and other methodologies, it realizes automatic parameter tuning, shortening adjustment time and reducing the workload and maintenance efforts of engineers.
3. Automatic vibration suppression and notch filtering functions address complex on-site application issues.
4.Precision positioning with repetitive control
● Repetitive positioning accuracy up to 1 nm, ensuring system stability under full operating conditions.
5. Cogging torque compensation
● Observes the motor’s nonlinear model and performs automatic testing and compensation;
● Improves system tracking performance and reduces speed and torque fluctuations.
6. Linear scale and DD motor compensation
● Linear scale accuracy compensation with precision reaching within 1 arcsec and 1 μm;
● One-click operation with freely configurable compensation range;
● Visualization of compensation results.
7. Friction/Gravity Compensation
● Compensates for motor Coulomb friction and viscous friction with a variable friction model correlated with speed and acceleration;
● Compensates for gravity on axes such as the Z-axis to ensure smoother drive regulation.
8. Full-Time Dynamic Brake (DB)
● Features active power-off damping and down servo damping functions to achieve full-time DB, enhancing the operational safety of high-speed linear motors.
9. High-Speed Communication with 125μs Cycle
● Supports a minimum bus communication cycle of 125μs.
10. High Real-Time Operational Bandwidth
● Current loop bandwidth within 5kHz, 16-bit sampling resolution, 31.25μs calculation cycle, and high overload capacity.
11. Advanced Algorithms
● Incorporates advanced FFD (Feed-Forward Decoupling) and nonlinear control algorithms, delivering short tuning time, high static stiffness, and minimal steady-state fluctuations.
12. Force-Position Control Function
● Enables soft landing and sensorless force-position hybrid control;
● Supports motion control with two-speed segments plus one-speed slow approach;
● Realizes seamless switching of servo motion modes directly within the drive;
● Supports force control loop with precision pressure feedback.
III. Debugging Software Application
● The DriverStudio debugging software features a built-in loop schematic diagram in its interface, making three-loop debugging more convenient and intuitive.
● Users can independently set current foldback parameters to enhance the safety level of both the drive and the motor.
● It supports inertia auto-tuning and variable structure controllers.
● The size of the lite version of the software is only 50 MB.
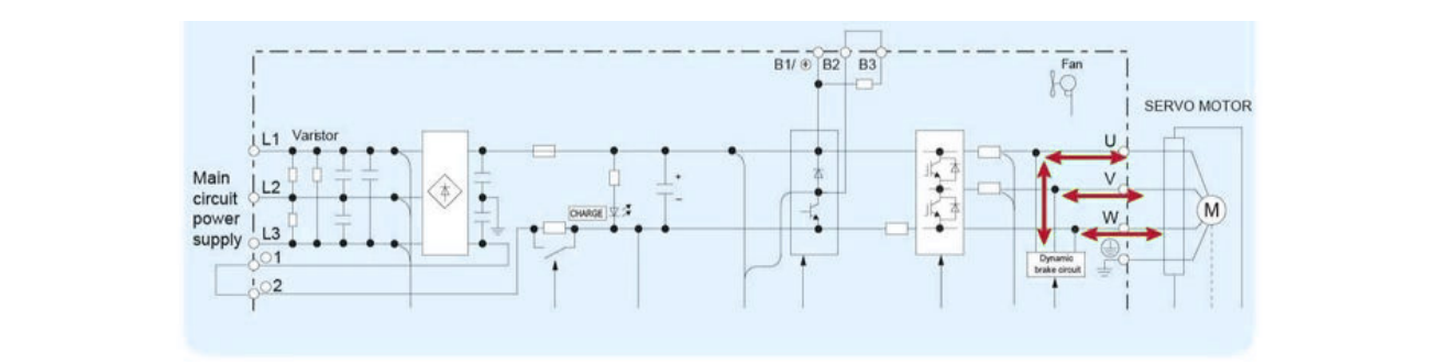
IV. Product Architecture
V. Product Performance
VI. Product Selection
VII. Product Dimensions













































