G-3-4 110-130 series two-phase stepping motor
Short Description:
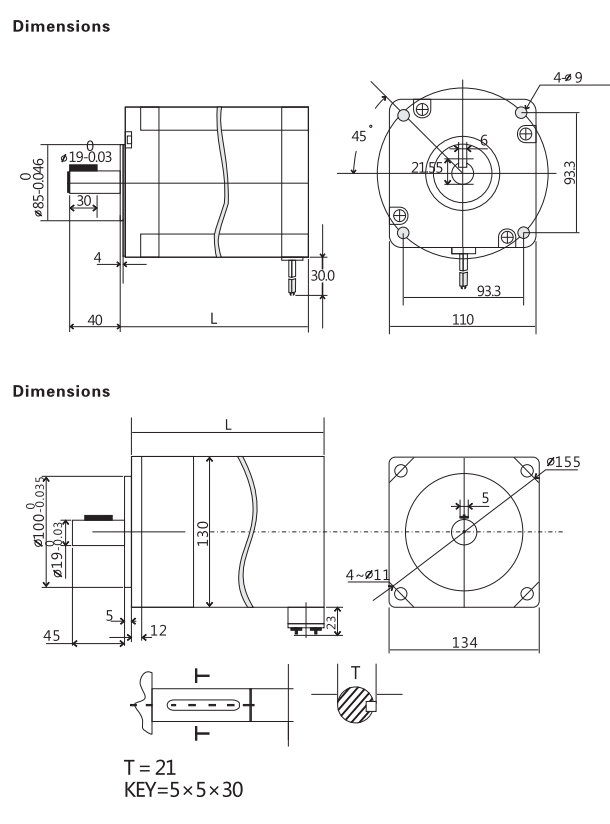
110/130 series two-phase stepping motor
General specifications
Step accuracy : ±5%(Whole step、Empty load)
Temperature rise:80°C Max
Ambient temperature:-10℃-+50℃
Insulation resistance:100MΩmin.500VDC
Pressure resistance:500VAC for one minute
Radial runout:0.06Max.(450g-load)
Axial runout:0.08Max.(450g-load)
|
Stepper motor model |
Phase |
Step angle |
Holding torque |
Rated current |
Phase inductance |
Phase resistance |
Number |
Rotor inertia |
Shaft diameter |
Motor weight |
Fuselage length |
|
3H110BG135 |
3 |
1.2 |
8 |
4.3 |
11.9 |
1 |
3 |
8.6 |
19 |
5.5 |
135 |
|
3H110BG160 |
3 |
1.2 |
12 |
5.8 |
11.5 |
0.76 |
3 |
11.9 |
19 |
7.1 |
160 |
|
3H110BG185 |
3 |
1.2 |
16 |
6 |
19 |
1.28 |
3 |
13.6 |
19 |
8.8 |
185 |
|
3H110BG220 |
3 |
1.2 |
20 |
6.8 |
22 |
1.24 |
3 |
17.4 |
19 |
11 |
219 |
|
3H130BG220 |
3 |
1.2 |
28 |
6.8 |
11 |
1.1 |
3 |
25 |
24 |
17 |
220 |
|
3H130BG250 |
3 |
1.2 |
35 |
6.8 |
13.1 |
1.3 |
3 |
35 |
24 |
19 |
252 |
|
3H130BG280 |
3 |
1.2 |
50 |
6.8 |
18 |
1.7 |
3 |
45.5 |
24 |
20.5 |
281 |







