Top Suppliers 17 Bit Absolute Value Servo Controller - B-8-2 IK3 Series Ethercat Bus type 380-400V – Xulong
Short Description:
Top Suppliers 17 Bit Absolute Value Servo Controller - B-8-2 IK3 Series Ethercat Bus type 380-400V – Xulong Detail:
Universal bus ik3 series servo drive
1. Servo drive model:
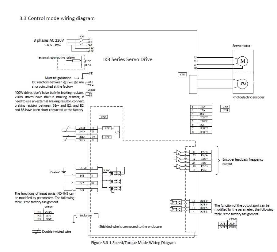
IK3 Series Ethercat Bus type 380-400V
ZSD-IK3BS302EB
ZSD-IK3BS502EB
ZSD-IK3BS752EB
2. Technical indexes
1. Power range: 50W ~ 5KW
2. Input voltage: single-phase or three-phase 220VAC (- 15 ~ + 10%), 50 ~ 60Hz
3. Control mode: position control, speed control, torque control, bus control
4. Encoder type: 2500C / T incremental photoelectric encoder (provincial / non provincial), 17bit / 20bit / 23bit absolute value encoder
5. Communication mode: EtherCAT, Powerlink, CANopen
6. Input and output points: IO programmable, support positive and negative logic settings and function relocation, 5-way input supports 16 functional configurations, 3-way output supports 12 functional configurations.
7. Monitoring function: provide 16 kinds of status monitoring such as position, speed, current, voltage, input and output.
3. Product advantages
1. Current loop frequency response is 2.5KHz, speed loop frequency response is 1.6kHz, and communication rate is 100Mbps.
2. With a variety of subtraction filters to improve the control stability and support the speed curve planning, acceleration and deceleration settings and acceleration and deceleration fillets can be set.
3. End jitter suppression function, friction compensation function, motor cogging torque compensation function.
4. It supports weak magnetic control. In the high-speed and light load operation situation, the motor speed can continue to rise.
5. It supports parameter reset, self-learning, inching, fault history query and fault history clearing of various auxiliary functions.
6. It supports PC software of upper computer to set parameters (upload, download, reset, import and export); waveform monitoring (it supports automatic saving of waveforms before and after the fault, calling, playback, measurement analysis, linear transformation and FFT analysis of historical waveform data in case of fault); it supports servo position, speed and torque control, start and stop, forward and reverse control. , status monitoring, fault diagnosis and other operations;
7. Support servo drive communication with different addresses;
8. Safety function corresponding to international standard is attached, sto / SS1 / SS2 / SBC, safe and reliable.
9. It can be equipped with hand-held operation panel for parameter setting and monitoring of servo and motor status, making system debugging more convenient.
Product detail pictures:


Related Product Guide:
We are ready to share our knowledge of marketing worldwide and recommend you suitable products at most competitive prices. So Profi Tools offer you best value of money and we are ready to develop together with Top Suppliers 17 Bit Absolute Value Servo Controller - B-8-2 IK3 Series Ethercat Bus type 380-400V – Xulong, The product will supply to all over the world, such as: Rotterdam , Latvia , Amsterdam , The design, processing, purchasing, inspection, storage, assembling process are all in scientific and effective documentary process , increasing usage level and reliability of our brand deeply, which makes us become superior supplier of the four major product categories shell castings domestically and obtained the customer's trust well.
In general, we are satisfied with all aspects, cheap, high-quality, fast delivery and good procuct style, we will have follow-up cooperation!

















