Safety Door SS/E-08A Switches
Short Description:
It is mainly used for monitoring the opening and closing doors of the peripheral fences of equipment, and has the locking function, that is, the protective doors of the fences must be closed before the equipment is started, and the protective doors cannot be opened when the equipment is running.
It is mainly used for monitoring the opening and closing doors of the peripheral fences of equipment, and has the locking function, that is, the protective doors of the fences must be closed before the equipment is started, and the protective doors cannot be opened when the equipment is running.
SS/E-08A series safety door switch
Type: SS/E-08A
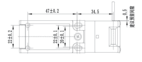
Product dimensions:
Rated Voltage:DC24V
Working Temperature:-5~40℃
Protection Class:IP67
Description of features:
Aluminum alloy frame with high overall strength and reliability.
Through screw connection, it is easy to assemble, and the installation conditions are relatively loose.
Outstanding color matching, high recognition in the installation environment.
Two positions of left opening and right opening are provided, and the cable supports three outlet directions.
Meet the installation requirements of multiple directions and positions.
Provide manual unlocking function, allowing manual unlocking in case of emergency.
The supporting control box has independent control function module, which enhances the function of single product safety door switch without changing the original cable core number, reduces the input signal points and increases the output signal points.
Model description:
Contact capacity:
Performance description:
Dynamic timing diagram:
Installation instructions:
Installation method:
Matching switch 03 type
1) firstly, install the hole position by using the hole position information of the hole positioning plate and the base plate. Positioning, you can use CNC machining or manual operation method.
2) Calibrate the mounting holes by using appropriate methods.
3) Use appropriate tools to process holes. Note: The bracket size is not within the scope of this manual.
Matching position:
(1) Basic dimensions {Note: all of them are illustrated by taking the left opening as an example}
(2) Size description of safety door switch bolt
Matching switch 01A type
Matching switch type 03
Matching switch type 07



























