OEM/ODM Factory 380v Servo Controller - B-2-1 200-220v Incremental servo drive – Xulong
Short Description:
OEM/ODM Factory 380v Servo Controller - B-2-1 200-220v Incremental servo drive – Xulong Detail:
Universal K1 series servo drive
1. Servo drive model:
K1 Series servo drive
200-220v Incremental servo drive
ZSD-K1AS04AA
ZSD-K1AS08AA
ZSD-K1AS15AA
ZSD-K1AS22AA
ZSD-K1AS30AA
ZSD-K1AS50AA
2. Specification parameter
1. Power range: 50 W ~ 2.0kw
2. Input voltage: single-phase or three-phase 220VAC & 380VAC (- 15 ~ + 10%), 50 ~ 60Hz
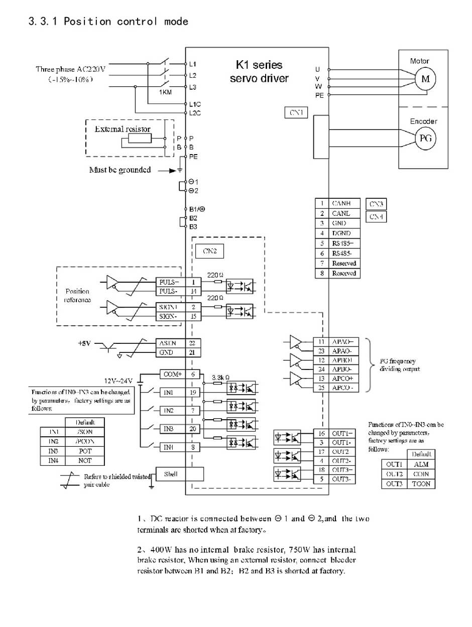
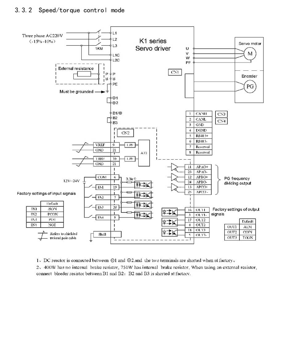
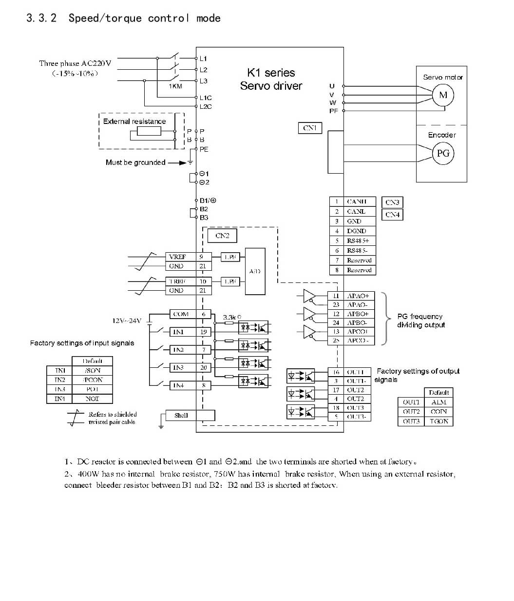
3. Control mode: position control, speed control, torque control
4. Encoder type: 2500C / T incremental photoelectric encoder (provincial / non provincial), 17bit, 23bit absolute encoder
5. Communication mode: RS485, RS232, CANopen, standard Modbus Communication
6. Input and output points: IO programmable, support positive and negative logic settings and function relocation, 4-way input supports 16 functional configurations, 3-way output supports 12 functional configurations.
7. Operation and display: 5-in-one nixie tube, 5 buttons
3. Product characteristics
1. The highly flexible internal position mode can realize rich motion control functions. Under the 485 communication mode, it supports up to 32 groups of data planning, and supports the data group electronic gear function. Each group of data can be set with the number or angle of pulses according to the demand.
2. Absolute motion mode or relative motion mode can be set, speed, acceleration, deceleration and emergency deceleration of internal position mode can be set, real-time automatic gain adjustment, automatic measurement of mechanical characteristics of load inertia, setting required servo gain, setting optimal gain according to automatic inertia identification results, shortening system commissioning time, and enhanced vibration suppression can be set.
3. Mechanical resonance frequency analysis, equipped with two sets of notch filters, which can adjust the frequency (50 ~ 5000Hz) and notch depth, effectively overcome the low frequency resonance and vibration at the mechanical end, and can set the vibration frequency (1 ~ 100Hz) and vibration damping.
4. Friction torque compensation function can reduce the influence of static friction during mechanical reversing, improve the command following performance of low-speed operation, and set the friction load size and speed hysteresis.
5. Higher cost performance. K1 series servo driver has all functions of K2 series. Input and output IO port and encoder adopt DB terminal, which has higher cost performance.
6. Small size, compact structure, greatly saving installation space
Industry application
With compact structure and excellent performance, K1 series servo driver can be widely used in CNC machine tools, textile industry, manipulator, printing and dyeing industry, engraving machine, packaging industry, etc.
Product detail pictures:


Related Product Guide:
Adhering to the principle of "quality, service, efficiency and growth", we have gained trusts and praises from domestic and international client for OEM/ODM Factory 380v Servo Controller - B-2-1 200-220v Incremental servo drive – Xulong, The product will supply to all over the world, such as: Jeddah , Guyana , Turkmenistan , They are sturdy modeling and promoting effectively all over the world. Never ever disappearing major functions within a quick time, it's a have to for you of fantastic good quality. Guided by the principle of "Prudence, Efficiency, Union and Innovation. the corporation. ake an excellent efforts to expand its international trade, raise its organization. rofit and raise its export scale. We are confident that we are going to have a bright prospect and to be distributed all over the world in the years to come.
The supplier abide the theory of "quality the basic, trust the first and management the advanced" so that they can ensure a reliable product quality and stable customers.
















