Bottom price Servo Motion Control - B-2-3 380-400v Incremental servo drive – Xulong
Short Description:
Bottom price Servo Motion Control - B-2-3 380-400v Incremental servo drive – Xulong Detail:
Universal K1 series servo drive
1. Servo drive model:
K1 Series servo drive
380-400v Incremental servo drive
ZSD-K1BS30AA
ZSD-K1BS50AA
ZSD-K1BS75AA
2. Specification parameter
1. Power range: 50 W ~ 2.0kw
2. Input voltage: single-phase or three-phase 220VAC & 380VAC (- 15 ~ + 10%), 50 ~ 60Hz
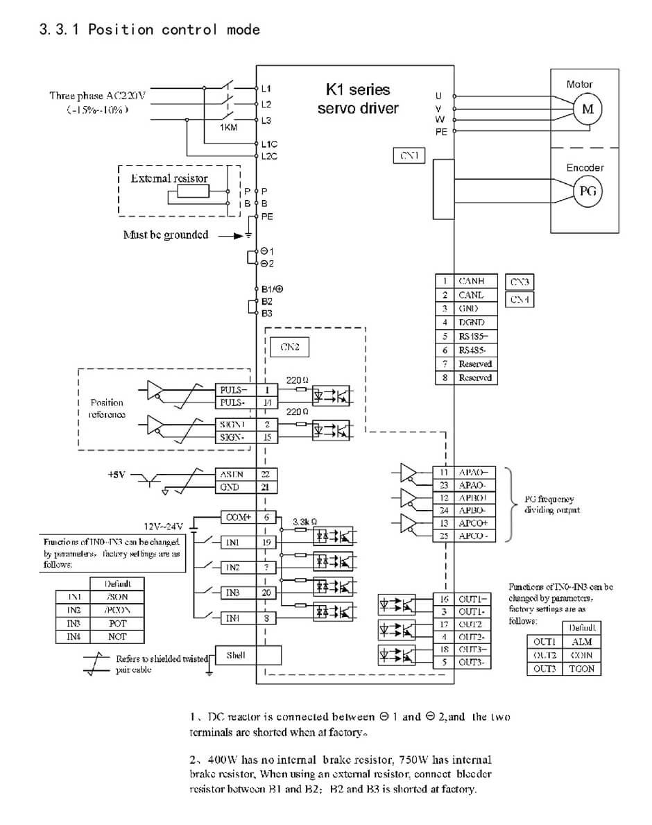
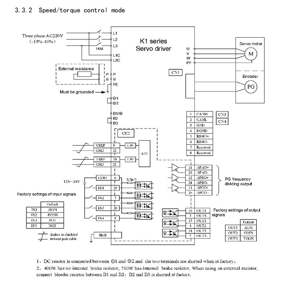
3. Control mode: position control, speed control, torque control
4. Encoder type: 2500C / T incremental photoelectric encoder (provincial / non provincial), 17bit, 23bit absolute encoder
5. Communication mode: RS485, RS232, CANopen, standard Modbus Communication
6. Input and output points: IO programmable, support positive and negative logic settings and function relocation, 4-way input supports 16 functional configurations, 3-way output supports 12 functional configurations.
7. Operation and display: 5-in-one nixie tube, 5 buttons
3. Product characteristics
1. The highly flexible internal position mode can realize rich motion control functions. Under the 485 communication mode, it supports up to 32 groups of data planning, and supports the data group electronic gear function. Each group of data can be set with the number or angle of pulses according to the demand.
2. Absolute motion mode or relative motion mode can be set, speed, acceleration, deceleration and emergency deceleration of internal position mode can be set, real-time automatic gain adjustment, automatic measurement of mechanical characteristics of load inertia, setting required servo gain, setting optimal gain according to automatic inertia identification results, shortening system commissioning time, and enhanced vibration suppression can be set.
3. Mechanical resonance frequency analysis, equipped with two sets of notch filters, which can adjust the frequency (50 ~ 5000Hz) and notch depth, effectively overcome the low frequency resonance and vibration at the mechanical end, and can set the vibration frequency (1 ~ 100Hz) and vibration damping.
4. Friction torque compensation function can reduce the influence of static friction during mechanical reversing, improve the command following performance of low-speed operation, and set the friction load size and speed hysteresis.
5. Higher cost performance. K1 series servo driver has all functions of K2 series. Input and output IO port and encoder adopt DB terminal, which has higher cost performance.
6. Small size, compact structure, greatly saving installation space
Industry application
With compact structure and excellent performance, K1 series servo driver can be widely used in CNC machine tools, textile industry, manipulator, printing and dyeing industry, engraving machine, packaging industry, etc.
Product detail pictures:


Related Product Guide:
To consistently enhance the management method by virtue of the rule of "sincerely, fantastic religion and top quality are the base of business development", we extensively absorb the essence of associated goods internationally, and constantly acquire new merchandise to satisfy the needs of shoppers for Bottom price Servo Motion Control - B-2-3 380-400v Incremental servo drive – Xulong, The product will supply to all over the world, such as: Malta , Sacramento , Turkmenistan , We will initiate the second phase of our development strategy. Our company regards "reasonable prices, efficient production time and good after-sales service" as our tenet. If you are interested in any of our products or would like to discuss a custom order, please feel free to contact us. We are looking forward to forming successful business relationships with new clients around the world in the near future.
This supplier's raw material quality is stable and reliable, has always been in accordance with the requirements of our company to provide the goods that quality meet our requirements.













