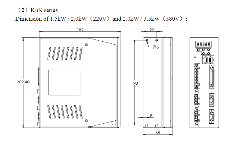
B-5-1 200-220v servo driver
Short Description:
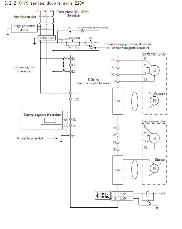
The two axis drive uses the same main power supply, control power supply and communication bus, greatly reducing the wiring, making it more compact and cost-effective.
Double axis k1ad series servo drive
1. Servo drive model:
200-220v servo driver(K1AD/KAD/IKAD)
ZSD-K1AD08AA
ZSD-KAD20AA
ZSD-IKAD202B
2. Technical indexes
1. Power supply voltage: 220V;
2. Output power: 0.75KW / 0.75KW;
3. Encoder: 2500C / T incremental / provincial encoder, 17bit / 20bit / 23bit absolute value encoder;
4. Digital IO signal: 6-channel input and 4-channel output;
5. Analog signal: 4 inputs;
6. Communication mode: RS232 custom protocol, RS485 standard Modbus protocol, can custom protocol;
3. Product advantages
1. The two axis drive uses the same main power supply, control power supply and communication bus, greatly reducing the wiring, making it more compact and cost-effective.
2. Powerful internal position mode can plan multi-path continuous operation to achieve rich motion control functions; it can support up to 32 groups of data planning, and each group of data can be set with pulse number or angle according to demand, and the speed, acceleration, deceleration and emergency deceleration of internal position mode can be set.
3. Automatically measure the mechanical characteristics of load inertia, set the optimal gain, and shorten the system commissioning time
4. Mechanical resonance frequency analysis, equipped with two sets of notch filters, adjustable frequency (50 ~ 5000Hz) and notch depth, effectively overcome low-frequency resonance and vibration at the end of the machine, and set vibration frequency (1 ~ 100Hz) and vibration damping.
5. Friction torque compensation function can reduce the influence of static friction during mechanical reversing and improve the command following performance of low-speed operation.
6. Debugging software support, mechanical characteristics analysis, parameter setting, monitoring and other functions, intuitive and simple operation.








