OEM/ODM Factory 380v Servo Controller - B-2-4 380-400v Absolute servo driver – Xulong
Short Description:
OEM/ODM Factory 380v Servo Controller - B-2-4 380-400v Absolute servo driver – Xulong Detail:
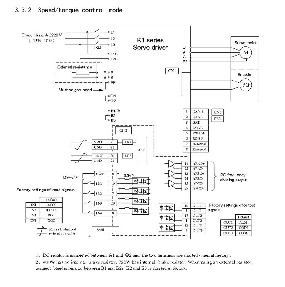
Universal K1 series servo drive
1. Servo drive model:
380-400v Absolute servo driver
ZSD-K1BS30AB
ZSD-K1BS50AB
ZSD-K1BS75AB
2. Specification parameter
1. Power range: 50 W ~ 2.0kw
2. Input voltage: single-phase or three-phase 220VAC & 380VAC (- 15 ~ + 10%), 50 ~ 60Hz
3. Control mode: position control, speed control, torque control
4. Encoder type: 2500C / T incremental photoelectric encoder (provincial / non provincial), 17bit, 23bit absolute encoder
5. Communication mode: RS485, RS232, CANopen, standard Modbus Communication
6. Input and output points: IO programmable, support positive and negative logic settings and function relocation, 4-way input supports 16 functional configurations, 3-way output supports 12 functional configurations.
7. Operation and display: 5-in-one nixie tube, 5 buttons
3. Product characteristics
1. The highly flexible internal position mode can realize rich motion control functions. Under the 485 communication mode, it supports up to 32 groups of data planning, and supports the data group electronic gear function. Each group of data can be set with the number or angle of pulses according to the demand.
2. Absolute motion mode or relative motion mode can be set, speed, acceleration, deceleration and emergency deceleration of internal position mode can be set, real-time automatic gain adjustment, automatic measurement of mechanical characteristics of load inertia, setting required servo gain, setting optimal gain according to automatic inertia identification results, shortening system commissioning time, and enhanced vibration suppression can be set.
3. Mechanical resonance frequency analysis, equipped with two sets of notch filters, which can adjust the frequency (50 ~ 5000Hz) and notch depth, effectively overcome the low frequency resonance and vibration at the mechanical end, and can set the vibration frequency (1 ~ 100Hz) and vibration damping.
4. Friction torque compensation function can reduce the influence of static friction during mechanical reversing, improve the command following performance of low-speed operation, and set the friction load size and speed hysteresis.
5. Higher cost performance. K1 series servo driver has all functions of K2 series. Input and output IO port and encoder adopt DB terminal, which has higher cost performance.
6. Small size, compact structure, greatly saving installation space
Industry application
With compact structure and excellent performance, K1 series servo driver can be widely used in CNC machine tools, textile industry, manipulator, printing and dyeing industry, engraving machine, packaging industry, etc.
Product detail pictures:


Related Product Guide:
We insist on offering premium quality creation with very good company concept, honest product sales along with the finest and fast assistance. it will bring you not only the premium quality item and huge profit, but the most significant is to occupy the endless market for OEM/ODM Factory 380v Servo Controller - B-2-4 380-400v Absolute servo driver – Xulong, The product will supply to all over the world, such as: Nigeria , Costa Rica , Mexico , We insist on the principle of "Credit being primary, Customers being the king and Quality being the best", we are looking forward to the mutual cooperation with all friends at home and abroad and we will create a bright future of business.
This company conforms to the market requirement and joins in the market competition by its high quality product, this is an enterprise that have Chinese spirit.













